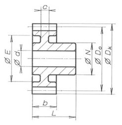
Stirnzahnrad, geradeverzahnt, Modul 1,25
Werkstoff Polyacetal, gespritzt, weiß, Eingriffswinkel 20 °
b= 10mm
L =19mm
Z = Zähnezahl
Alle Maße in mm
Stirnzahnrad, geradeverzahnt, Modul 1,25
Werkstoff Polyacetal, gespritzt, weiß, Eingriffswinkel 20 °
b= 10mm
L =19mm
Z = Zähnezahl
Alle Maße in mm
Herzlich Willkommen bei der Lendl GmbH
- Ihrem Zahnrad-Vertriebszentrum